- Каталог оборудования РУСВОЛЬТ
- Тормоза колодочные
- Тормоза крановые ТКГ
Тормоза колодочные марки ТКГ или ТКТГ для кранов
Тормоза колодочные ТКГ (старое название ТКТГ) для кранов могут быть как в наличии так и под заказ. Узнать наличие, точную стоимость и приобрести колодочные тормоза серии ТКГ вы можете позвонив по телефону +7(812) 449-90-49 или отправив заявку на электронную почту указанную в разделе "Контакты".
Тормоз колодочный тип ТКГ-160 У2
|
Тормоз колодочный тип ТКГ-200 У2
|
Тормоз колодочный тип ТКГ-300 У2
|
Тормоз колодочный тип ТКГ-400 У2
|
Тормоз колодочный тип ТКГ-500 У2
|
Тормоза колодочные типа ТКГ (ранее использовалась маркировка ТКТГ) – это устройства, которые используются для остановки, а также удержания вала механизма при неработающем приводе в заторможенном состоянии. Они активно используются в комплектации подъёмно-транспортного оборудования, а также в механизмах с похожими условиями эксплуатации. К примеру, это могут быть башенные, портальные, козловые или мостовые краны.
На сегодня общепринятой считается маркировка колодочного тормоза ТКГ, хотя ранее повсеместно использовалась аббревиатура ТКТГ. Конструктивно, их устройство между собой ничем не отличается. Есть только ряд технологических изменений, которые связаны с производством на предприятиях разных стран. Например они выпускаются на данный момент не только в России, но и на Украине, а также производство есть в некоторых странах СНГ. Они полностью взаимозаменяемы и не требуют каких-либо дополнительных специальных настроек оборудования либо технических решений.
Тормоза ТКГ для кранов - технические характеристики
Крановые колодочные тормоза ТКТГ (или ТКГ) по своим основным техническим характеристикам ничем между собой не отличаются, все основные параметры неизменны и приведены в таблице ниже. Все указанные цифры актуальны при эксплуатации в климатических условиях, которые соответствуют умеренному и холодному климату (У2 и ХЛ2) в соответствии с нормами ГОСТ15543.1 и ГОСТ15150.
При использовании тормоза ТКГ основными требованиями к окружающей среде являются взрыво и пожаробезопасность, отсутствие агрессивных веществ (паров или газов) в такой концентрации, которая может привести к разрушению резины, металла, изоляционных материалов. Этот механизм предполагает свою эксплуатацию в помещении или под навесом. При установке механизма на открытом воздухе потребуется дополнительная защита при помощи специального кожуха, который сможет защитить его от возможных внешних влияний (к примеру, солнечной радиации, попадания осадков).
Тормоз крановый монтируется только вертикально, при этом важно, что ось вращения непосредственно тормозного шкива, как и основания, на котором он крепится, расположена в горизонтальной плоскости. Максимально допустимое отклонение его расположения от вертикали составляет 15?. В отношении питающей сети он достаточно требователен, допуская колебания напряжения в пределах -5 ? +10 % от номинала. При этом максимальное частотное отклонение может быть ±0,2Гц.
| № п/п | Характеристика тормоза | Марка тормоза ТКГ (ТКТГ) | ||||
|---|---|---|---|---|---|---|
| ТКГ500 | ТКГ400 | ТКГ300 | ТКГ200 | ТКГ160 | ||
| 1 | Климатическое исполнение | У2 | ||||
| 2 | Диаметр шкива тормозного, мм. | 500 | 400 | 300 | 200 | 160 |
| 3 | Ход штока гидротолкателя не меньше, мм. | 60 | 60 | 60 | 32 | 32 |
| 4 | Марка толкателя ТЭ | ТЭ80 | ТЭ80 | ТЭ50 | ТЭ30 | ТЭ30 |
| 5 | Тормозной расчетный момент, Нм. | 2500 | 1500 | 800 | 300 | 100 |
| 6 | Длина пружины (установочная), мм. | 305,66±14,6 | 305,66±14,6 | 333,82±21,6 | 172,22 | 178,14±5,1 |
| 7 | Время наложения тормозных колодок | 0,4 сек. | 0,4 сек. | 0,35 сек. | 0,2 сек. | 0,2 сек. |
| 8 | Усилие номинальное на штоке толкателя не меньше, Н. | 800 | 500 | 500 | 300 | 300 |
| 9 | Напряжение, В. | 220/380 | ||||
| 10 | Частота электрического тока, Гц. | 50 | ||||
| 11 | Масса тормоза колодочного в сборе не больше, кг. | 117 | 76 | 69 | 46 | 39 |
Вышеприведенные табличные данные – это параметры тормозов ТКГ для кранов, которые поставляет ООО «РУСВОЛЬТ». При установке на них электрогидравлических толкателей иных компаний, в технических характеристиках могут появиться изменения.
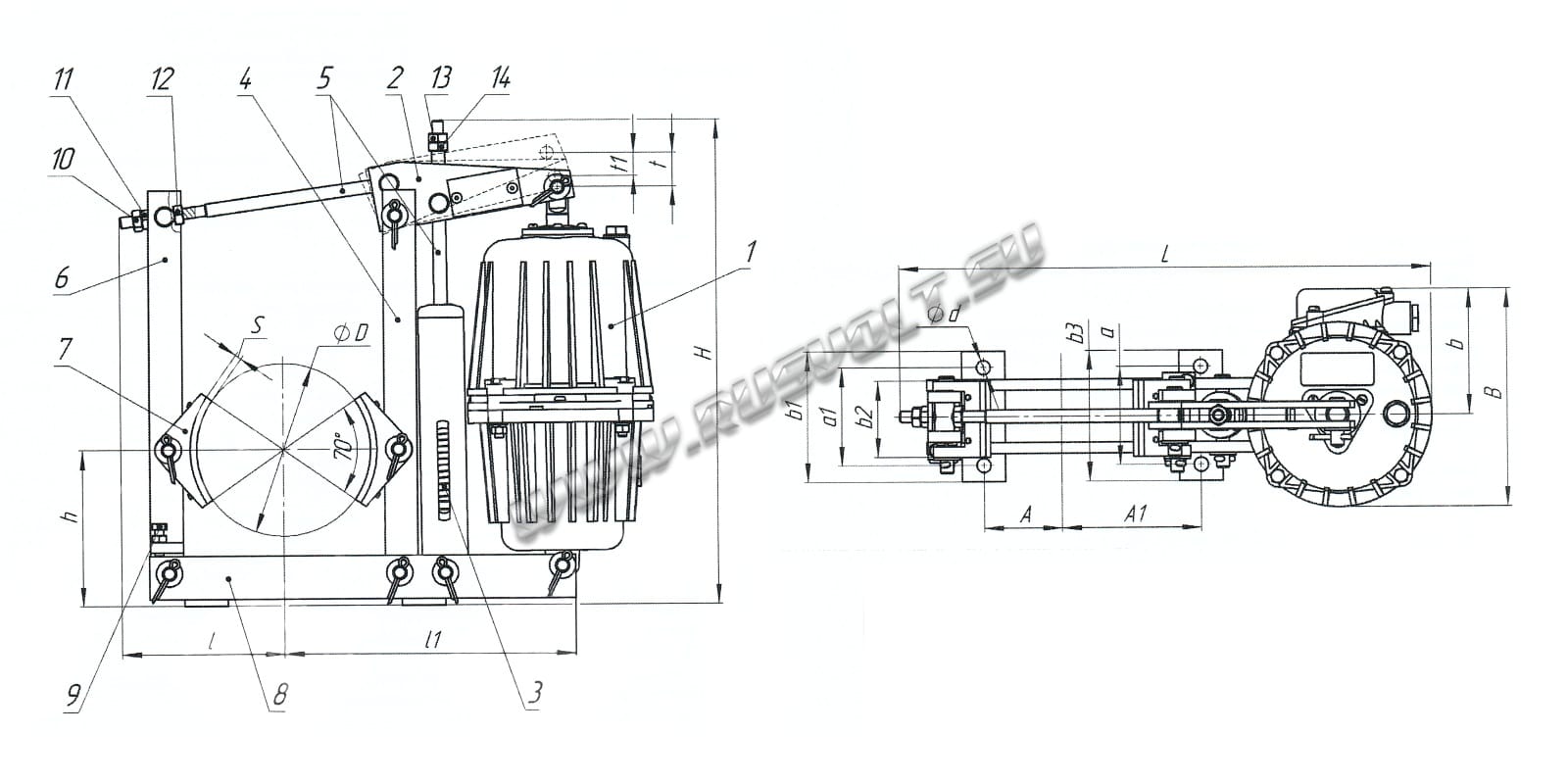
Тормоз ТКГ (ТКТГ) - габаритные размеры, конструкция и принцип действия
В таблице ниже приведены присоединительные и габаритные размеры для кранового тормоза ТКГ (ТКТГ):
| Габарит тормоза | A | a | a1 | L | L1 | H | h | S | b | b1 | b2 | D | d | t1 | t | B |
|---|---|---|---|---|---|---|---|---|---|---|---|---|---|---|---|---|
| ТКГ-160 | 200 | 90 | 90 | 147 | 268 | 438 | 144 | 6 | 116 | 120 | 70 | 160 | 13 | 22 | 32 | 216 |
| ТКГ-200 | 350 | 120 | 60 | 195 | 355 | 445 | 170 | 8 | 90 | 90 | 200 | 18 | 22 | 32 | ||
| ТКГ-300 | 500 | 150 | 80 | 275 | 429 | 557 | 240 | 8 | 120 | 140 | 300 | 22 | 40 | 60 | ||
| ТКГ-400 | 340 | 68 | 68 | 308 | 495 | 445 | 300 | 8 | 140 | 180 | 400 | 22 | 40 | 60 | ||
| ТКГ-500 | 410 | 85 | 85 | 380 | 630 | 438 | 400 | 8 | 160 | 200 | 500 | 27 | 40 | 60 |
Конструкция тормоза колодочного ТКГ для крана представлена на вышеприведенном чертеже. В её состав входит механическая часть и сам толкатель ТЭ (1). Детальное описание его конструкции приведено ниже:
- гидротолкатель - 1;
- система рычагов - 2, 5;
- пружина тормоза - 3;
- стойки тормоза - 4, 6;
- тормозные колодки - 7;
- основание тормоза - 8;
- регулировочные гайки - 9,10,11,12,13,14.
В случае если гидротолкатель (1) выключен, через систему рычагов (2; 5) пружина (3) притягивает стойки тормоза ТКГ (4; 6) друг к другу. При этом тормозные колодки притягиваются к поверхности тормозного шкива (в этот момент шток толкателя будет находиться в нижнем положении).
Включение толкателя электрогидравлического (1) сопровождается движением его поршня преодолевающего сопротивление пружины (3) и раздвигающего стойки (4; 6), на которых расположены тормозные колодки (7), через рычаги (2; 5). В момент растормаживания шкива шток толкателя будет находиться в верхнем положении.
Для того чтобы выполнить настройку колодочного тормоза ТКГ для крана используются регулировочные гайки (9-14).
Крановые тормоза ТКГ или ТКТГ - подготовка к эксплуатации
Тормоз колодочный ТКГ (или ТКТГ) допускает свою установку на тормозных шкивах, которые удовлетворяют ряду эксплуатационных требований:
- У рабочей поверхности тормоза, должна быть минимальная частота шестого класса согласно ГОСТ 2789, точность не меньше четвертого класса, конусность и овальность - не больше 0,0005 D, биение и твердость не меньше HB 250-300 (чугун) или HRC 35-45 (сталь).
- Не допускаются какие либо дефекты находящиеся на его изнашиваемой поверхности.
Регулировка колодочного тормоза для кранового оборудования обязательна после каждой установки механизма на тормозной шкив. Вся процедура заключается в организации нормального штокового хода и регулировке пружины. Кроме того, необходима установка максимально равномерного отхода колодок и плавного, корректного хода штока толкателя.
Для выполнения этой задачи шток гидротолкателя кранового колодочного тормоза ТКТГ (ТКГ) устанавливают в наиболее крайнее верхнее положение, а далее его опускают на ту величину, которая указана в столбце t1 вышерасположенной таблицы. Штоковые гайки позволяют зафиксировать рычаги в заданном положении.
| Марка тормоза | Кол-во колодок |
Размеры, мм | ||
|---|---|---|---|---|
| Y | X | s | ||
| ТКГ160 У2 | 2 | 132 | 70 | 6 |
| ТКГ200 У2 | 132 | 90 | 8 | |
| ТКГ300 У2 | 193 | 140 | 8 | |
| ТКГ400 У2 | 238 | 180 | 8 | |
| ТКГ500 У2 | 238 | 180 | 8 | |
На заключительном этапе подготовки ТКТГ для крана к эксплуатации выполняется регулировка пружины. Изначально стоит обратить внимание, что рабочая длина его пружины должна соответствовать заданному системой тормозному моменту. В таблице выше приведена установочная длина пружины тормоза на расчётный момент.
Обкладки колодок колодочного тормоза крана ТКГ (ТКТГ) – это детали механизма, подверженные быстрому износу. Износ, требующий замены элемента, составляет 1/2 часть от начальной толщины в средней части колодочной обкладки и 1/3 часть по краям. Материалом их изготовления становится эластичная фрикционная лента, соответствующая ГОСТ 15960-99, ЭМ-1. В таблице справа приведена информация о количестве и размерах обкладок в зависимости от параметров конкретного тормоза. В ней Х – это ширина, s – толщина, Y – длина.
Возможна замена всех обкладок на ТКГ-300У2 - 4шт. ширины 70 миллиметров, вместо 2шт. по 140 миллиметров и на ТКГ-400У2 и ТКГ-500У2 вместо 2шт. по 180 миллиметров - 4шт. по 90 миллиметров.
Меры безопасности при эксплуатации тормоза ТКГ (ТКТГ) для крана
Внимание! Все эксплуатационные действия с данным механизмом могут выполняться только с соблюдением всех действующих требований электробезопасности и пожарной безопасности. Колодочный тормоз ТКГ обязательно заземляется. Также должны соблюдаться ГОСТ 12.2.003 по безопасности оборудования на производстве, "Правила техники безопасности" и специальные "Правила технической эксплуатации потребительских электроустановок".
Процедура отключения либо подключения толкателя тормоза ТКГ может выполняться исключительно в обесточенной сети. Подключенное устройство при этом обязательно должно быть закрыто крышкой коробки выводов (проведение испытаний или эксплуатация при открытой крышке запрещена). Максимально допустимое сопротивление между корпусом и заземляющим болтом может составлять 0,1 Ом.
Для тормозов ТКТГ толкатели выпускаются со степенью защиты типа IP54 (согласно ГОСТу 14254). Сопротивление изоляции, измеряемое между обмоткой электродвигателя и корпусом, составит 20 Мом (согласно ГОСТу 15150-69) при холодном состоянии и нормальных условиях эксплуатации.
Обмотка двигателя толкателя может испытываться на воздействие повышенного напряжения 1760 Вт (50 Гц). Этот показатель должен выдерживаться в течение 1 минуты без поверхностного перекрытия или пробоя. Аналогичные испытания могут быть проведены повторно только при снижении величины испытательного напряжения на 20 %.
Запрещены любые действия по обслуживанию, ремонту или регулировке колодочного тормоза ТКГ для крана в процессе его работы. К работе с ним допускаются лица старше 18 лет после прохождения ими специального обучения. Они должны обладать необходимыми знаниями техники безопасности, принципа работы, устройства, характерных неисправностей и их методов ремонта.
Тормоза колодочные типа ТКГ - транспортировка, комплектация и хранение
При транспортировке кранового тормоза ТКГ должен быть использован крытый транспорт, который допускает перевозки подобных грузов (автомобильный либо железнодорожный транспорт), при этом должны полностью соблюдаться технические условия в отношении погрузки и крепления грузов. Условия перевозки ТКТГ установлены согласно группе 9 ГОСТа 15150.
Крановые тормоза ТКГ могут быть транспортированы без использования индивидуальной упаковки в общих контейнерах. Тем не менее они должны быть хорошо защищены от разных механических повреждений, осадков, солнечной радиации. Хранят крановые тормоза ТКТГ, ТКГ по части воздействия на них каких либо климатических факторов - для исполнений "ХЛ" или "У" - группа хранения 2 (С), для исполнения Т - группа хранения 3 (ЖЗ) в четком соответствии с требованиями ГОСТа 15150 которые для них установлены.
Гарантированный срок службы тормозов ТКГ составляет один год с момента непосредственного ввода в эксплуатацию. Весь ресурс изделия до его капремонта составляет не больше 7х106 циклов (отключений-включений).
При необходимости утилизации колодочных тормозов ТКГ для кранов, необходимо проделать следующий порядок действий:
- отключить его от любых источников питания;
- гидротолкатель из механизма нужно демонтировать;
- рабочую жидкость толкателя слить;
- сам толкатель разобрать на составные части;
- непосредственно от механической части нужно отсоединить колодки и пружину;
- сдать на завод изготовитель либо на предприятие по переработке промышленных отходов.
В комплект поставки тормоза кранового ТКГ который укомплектован в полном соответствии со всеми установленными требованиями ТУ У29.2-33120036-003-2007 года входят:
- Тормоз колодочный ТКГ в сборе - 1шт.;
- Инструкция по эксплуатации и паспорт на тормоз - 1шт.;
- Инструкция по эксплуатации и паспорт на толкатель ТЭ - 1шт.;
- Набор ЗИП для толкателя серии ТЭ - 1шт.
Оставить заявку на Тормоза колодочные марки ТКГ или ТКТГ для кранов
- Полный каталог продукции
- Блоки контактных колец
- Блоки резисторов
- Катушки электромагнитные
- Командоконтроллеры
- Контакторы
- Контакты к оборудованию
- Кулачковые элементы
- Переключатели
- Приборы безопасности
- Пускатели
- Реле
- Светотехника
- Тормоза колодочные
- Токосъемные кольца
- Трансформаторы
- Траверсы (бракеты)
- Узлы токосъема
- Щеткодержатели
- Электрощетки
- Электродвигатели
- Разное оборудование





