Электродвигатели постоянного тока серии ДП - аналоги двигателей ПБСТ (ПБС)
Электродвигатели постоянного тока серии ДП и их аналоги двигатели ПБСТ могут быть как в наличии так и под заказ. Узнать наличие, точную стоимость и приобрести двигатели ДП либо ПБСТ вы можете позвонив по телефону +7(812) 449-90-49 или отправить заявку на электронную почту указанную в разделе "Контакты".
Электродвигатели постоянного тока ДП160МГ - аналоги ПБСТ42, ПБСТ43
|
Электродвигатели серии ДП-100, ДП-150, ДП-160 и ДП-212 постоянного тока были разработаны специально для полной замены снятых с серийного производства в девяностых годах двадцатого века электродвигателей типа ПБСТ. По всем техническим параметрам, габаритно-присоединительным размерам, а также диаметру своего вала, электродвигатели ДП полностью заменяют предыдущую серию ПБСТ. Электродвигатели серии ПБСТ изготавливаются со встроенным тахогенератором, а без него они маркируются как ПБС. Двигатели серии ДП (ПБСТ) изготовлены для продолжительного режима своей работы (S1) при допустимой температуре окружающей атмосферы от +1°С до +40°С, на высоте над уровнем океана 1000 метров. Они допускают работу в таких режимах как S3-S8. По способу возбуждения они могут быть с независимым возбуждением 110В и 220В. Степень защиты двигателей ДП IP23 и IP54. Способ их охлаждения ICA01.
Единственное отличие технических характеристик электрических двигателей ДП заключается только в том, что сегодня на них устанавливаются тахогенераторы других марок. На двигатели ПБСТ ранее устанавливалось две марки тахогенераторов: ТС-1М и ПТ-1. Оба данных тахогенератора на сегодняшний день не изготавливаются (возможно изготовление под заказ) и на их смену, на электрические двигатели серии ДП теперь устанавливают тахогенераторы типа ТМГ-30П (ДП 150, ДП 160, ДП 212) и тахогенераторы типа ТП-75-20-0,2 (ДП 100). Во всем остальном электродвигатели ПБСТ и электродвигатели типа ДП абсолютно взаимозаменяемы.
Двигатели типа ДП100, ДП150, ДП160, ДП212 или ПБСТ22, ПБСТ23, ПБСТ32, ПБСТ33, ПБСТ42, ПБСТ43, ПБСТ52, ПБСТ53, ПБСТ62, ПБСТ63 состоят из якоря, цилиндрической стальной станины с добавочными и главными полюсами, а также двух подшипниковых щитов. Они производятся с двумя или четырьмя добавочными полюсами. Его подшипниковый щит, который расположен со стороны коллектора принято называть передним, а щит, который расположен со стороны, противоположной коллектору - задним щитом. В двигателях ПБСТ и ДП защищенного исполнения, крышки которые закрывают коллекторные люки переднего щита, имеют в своей конструкции жалюзи, препятствующие попаданию внутрь машины различных посторонних предметов, а в электрических двигателях не фланцевого исполнения данная защита обеспечивается при помощи решетки, отлитой совместно с задним щитом. В электродвигателях ПБСТ и ДП фланцевого исполнения специальное отверстие для выхода воздуха закрывается при помощи стальной сетки, прикрепленной винтами к заднему щиту. На любых исполнениях коробка выводов сделана на станине сбоку и отлита она из алюминиевого сплава. К самой станине она прикрепляется с помощью двух болтов и закрывается крышкой сделанной из алюминиевого сплава. Все кабели к доскам зажимов во всех закрытых машинах подводятся при помощи сальников. Направление вращения вала электродвигателей ДП и ПБСТ - реверсивное. Все подшипниковые щиты делают из того же алюминиевого сплава, а фланцевые из стали и чугуна. Их траверсы делают из алюминиевого сплава и крепят к торцевой стенке переднего щита болтами. Нормальное расположение траверсы обозначается специальной чертой, нанесенной яркой краской на траверсе и щите. Электродвигатели постоянного тока марки ДП соответствуют ТУ 3365-001-2085792-2004.
Условия хранения электродвигателей серии ДП-100, ДП-150, ДП-160, ДП-212 (ПБСТ):
Вентилируемые и отапливаемые склады, хранилища с обязательным кондиционированием воздуха,которые расположены в любых макроклиматических районах. Допустимая температура воздуха от +5°С, а относительная влажность воздуха в помещении должна не превышать 80% при 25°С.
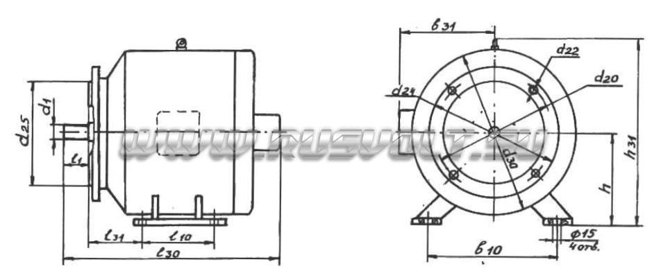
Габаритные и установочно-присоединительные размеры двигателей ДП100, ДП150, ДП160, ДП212 (аналогов ПБСТ)
| Тип | h31 | h | b31 | b10 | l31 | l30 | l10 | l1 | d30 | d25 | d24 | d22 | d20 | d1 | Масса, кг |
|---|---|---|---|---|---|---|---|---|---|---|---|---|---|---|---|
| ДП150МГ | 343 | 150 | 223 | 225 | 79 | 650 | 215 | 60 | 284 | 150 | 220 | 15 | 185 | 28 | 62 |
| ДП150LГ | 343 | 150 | 223 | 225 | 79 | 700 | 225 | 60 | 284 | 150 | 220 | 15 | 185 | 28 | 75 |
| ДП160МГ | 364 | 160 | 252 | 240 | 103 | 700 | 260 | 80 | 304 | 180 | 250 | 19 | 215 | 30 | 97 |
| ДП160LГ | 364 | 160 | 252 | 240 | 103 | 770 | 270 | 80 | 304 | 230 | 300 | 15 | 265 | 30 | 109 |
| ДП160LГ | 364 | 160 | 252 | 240 | 103 | 770 | 270 | 80 | 304 | 230 | 300 | 15 | 265 | 36 | 109 |
| ДП212Г | 458 | 212 | 275 | 300 | 198 | 900 | 280 | 110 | 400 | 250 | 350 | 19 | 300 | 40 | 225 |
Соответствие электродвигателей ДП их аналогам серии ПБСТ
| Тип электродвигателя | Частота вращения, об/мин | Мощность, кВт | Напряжение якоря, В | Тип заменяемого двигателя |
|---|---|---|---|---|
| ДП100 LГ | 1000 1500 2200 3000 |
0,4
0,6
0,85
1,0
|
110/220 | ПБСТ 22 |
| ДП100 LГ | 1000 1500 2200 3000 |
0,55 0,85 1,15 1,3 |
110/220 | ПБСТ 23 |
| ДП150 МГ | 1000 1500 2200 3000 |
0,8 1,2 1,5 1,75 |
110/220 | ПБСТ 32 |
| ДП150 LГ | 1000 1500 |
1,0 1,6 2,1 2,35 |
110/220 | ПБСТ 33 |
| ДП150 LГ | 2200 3000 |
1,0 1,6 2,1 2,35 |
220 | ПБСТ 33 |
| ДП160 МГ | 1000 1500 2200 |
1,4 2,1 2,9 |
110/220 | ПБСТ 42 |
| ДП160 МГ | 3000 | 3,4 | 220 | ПБСТ 42 |
| ДП160 МГ | 1000 | 1,90 | 110/220 | ПБСТ 43 |
| ДП160 МГ | 1500 2200 3000 |
2,8 3,8 4,3 |
220 | ПБСТ 43 |
| ДП160 LГ | 1000 1500 2200 3000 |
2,5 4,2 5,5 6,5 |
220 | ПБСТ 52 |
| ДП160 LГ | 1000 1500 2200 3000 |
3,3 4,8 6,3 8,0 |
220 | ПБСТ 53 |
| ДП212 Г | 1000 1500 2200 3000 |
4,7 7,2 10,0 11,3 |
220/440 | ПБСТ 62 |
| ДП212 Г | 1000 1500 2200 |
5,4 7,8 11,0 |
220/440 | ПБСТ 63 |
Оставить заявку на Электродвигатели постоянного тока серии ДП - аналоги двигателей ПБСТ (ПБС)
- Полный каталог продукции
- Блоки контактных колец
- Блоки резисторов
- Катушки электромагнитные
- Командоконтроллеры
- Контакторы
- Контакты к оборудованию
- Кулачковые элементы
- Переключатели
- Приборы безопасности
- Пускатели
- Реле
- Светотехника
- Тормоза колодочные
- Токосъемные кольца
- Трансформаторы
- Траверсы (бракеты)
- Узлы токосъема
- Щеткодержатели
- Электрощетки
- Электродвигатели
- Разное оборудование





