- Каталог оборудования РУСВОЛЬТ
- Контакты к оборудованию
- Контакты к контакторам
- Контакты КПД-111, КПД-121
Контакты серии КПД-111, КПД-121, КТП-121, КТК1-20, ТКПМ-111, ТКПМ-121
Контакты контакторов КТП-121, КПД-111, КПД-121Е, КПД-121, КТК1-20, ТКПМ-121, ТКПМ-111 могут быть как в наличии так и под заказ. Узнать наличие, точную стоимость и приобрести медные, латунные или серебряные контакты для контакторов ТКПМ-121, ТКПМ-111, КПД-121Е, КПД-121, КПД-111, КТК1-20, КТП-121 вы можете позвонив по телефону +7(812) 449-90-49 или отправить заявку на электронную почту указанную в разделе "Контакты".
Для контакторов КПД-111, КПД-121Е, КПД-121, КТП-121, КТК1-20, ТКПМ-121, ТКПМ-111 применяются подвижные и неподвижные контакты. Количество необходимых контактов для разных типов контакторов различное и необходимо уточнять индивидуально.
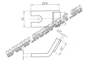
Виды контактов для контакторов КТП121, КТК-1-20, КПД111, КПД121, КПД-121Е, ТКПМ111, ТКПМ121
Обозначения чертежей и возможные маркировки подвижных и неподвижных контактов для контакторов КТП121, КТК-1-20, КПД111, КПД121, КПД-121Е, ТКПМ111, ТКПМ121
Возможны следующие обозначения контактов КТП-121, КТК1-20, КПД-111, КПД-121, КПД-121Е, ТКПМ-121, ТКПМ-111:
- контакт ТКПМ-111 неподвижный / подвижный;
- контакт ТКПМ-121 неподвижный / подвижный;
- контакт КПД-121 неподвижный / подвижный;
- контакт КПД-121Е неподвижный / подвижный;
- контакт КПД-111 неподвижный / подвижный;
- контакт КТП-121 неподвижный / подвижный;
- контакт КТК1-20 неподвижный / подвижный.
Возможны следующие обозначения чертежей контактов КПД111, КПД121, КПД121Е, КТП121, КТК-1-20, ТКПМ111, ТКПМ121:
- РГАП.685171.223 - подвижный, напайка В (размер напайки 12х12х1,6 мм);
- ГЛЦИ.685171.119;
- ГЛЦИ.685171119-01;
- ГЛЦИ.685171119-02;
- РГАП.685171.222 - неподвижный, напайка В (размер напайки 12х12х1,6 мм);
- ГЛЦИ.685182.029;
- ГЛЦИ.685182.029-01;
- ГЛЦИ.685182.028;
- ГЛЦИ.685182.028-01;
- ГЛЦИ.685182.028-02;
- ЭТПР.303659.138;
- ЭТПР.303659.271;
- ЭТПР.303659.139.
* В связи с тем, что контакты контакторов КТП-121, КПД-121, КПД-121Е, КПД-111 КТК1-20, ТКПМ-111, ТКПМ-121 производят несколько предприятий, их размеры могут незначительно отличаться. В том случае если заказчик не уточняет какой именно чертеж контактов для контакторов КПД111, КПД121, КПД121Е, КТП121, КТК-1-20, ТКПМ111, ТКПМ121 ему необходим, мы поставляем контакты на свое усмотрение (по умолчанию).
Оставить заявку на Контакты серии КПД-111, КПД-121, КТП-121, КТК1-20, ТКПМ-111, ТКПМ-121
- Полный каталог продукции
- Блоки контактных колец
- Блоки резисторов
- Катушки электромагнитные
- Командоконтроллеры
- Контакторы
- Контакты к оборудованию
- Контакты к пускателям
- Контакты к контроллерам
- Контакты к контакторам
- Контакты КПД-111, КПД-121
- Контакты КТП-121, КТК1-20
- Контакты КПП-113, КПД-113
- Контакты КТПВ-621, КТПВ-622
- Контакты КПВ-602
- Контакты КПВ-603, КТПВ-623
- Контакты КПВ-604, КТПВ-624
- Контакты КПВ-605
- Контакты КТ-5010
- Контакты КТ-6010
- Контакты КТ-6020
- Контакты КТ-6030
- Контакты КТ-6040
- Контакты КТ-6050
- Контакты КТ-6620
- Контакты КТ-7010, КТ-7020
- Контакты КТП-6010
- Контакты КТП-6020
- Контакты КТП-6030
- Контакты КМ-2333
- Контакты КМ-2334, КМ-2336
- Контакты МК1, МК2-20
- Контакты МК6-10, 20, 30
- Контакты ES-100
- Контакты ES-160
- Контакты ES-250
- Контакты ES-400
- Кулачковые элементы
- Переключатели
- Приборы безопасности
- Пускатели
- Реле
- Светотехника
- Тормоза колодочные
- Токосъемные кольца
- Трансформаторы
- Траверсы (бракеты)
- Узлы токосъема
- Щеткодержатели
- Электрощетки
- Электродвигатели
- Разное оборудование















