Контакты серии ККТ-61, ККТ-62, ККТ-63, ККТ-65, ККТ-68
Контакты командоконтроллеров ККТ могут быть как в наличии так и под заказ. Узнать наличие, точную стоимость и приобрести медные, латунные или серебряные контакты контроллеров ККТ-61, ККТ-62, ККТ-63, ККТ-65, ККТ-68 вы можете позвонив по телефону +7(812) 449-90-49 или отправить заявку на электронную почту указанную в разделе "Контакты".
Для контроллеров ККТ-60 любого типа (маркировки) применяются одни и те же подвижные контакты и они же неподвижные. Количество необходимых контактов ККТ для разных типов командоконтроллеров ККТ-60 различное и необходимо уточнять индивидуально.
Виды контактов для контроллеров ККТ-60 (ККТ-61, ККТ-62, ККТ-63, ККТ-65, ККТ-68)
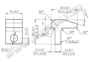
Обозначения чертежей и возможные маркировки подвижных и неподвижных контактов ККТ 60 (ККТ61, ККТ62, ККТ63, ККТ65, ККТ68)
Возможны следующие обозначения контактов ККТ 60:
- контакт ККТ-60 неподвижный / подвижный;
- контакт ККТ-61 неподвижный / подвижный;
- контакт ККТ-62 неподвижный / подвижный;
- контакт ККТ-63 неподвижный / подвижный;
- контакт ККТ-65 неподвижный / подвижный;
- контакт ККТ-68 неподвижный / подвижный.
Возможны следующие номера чертежей контактов ККТ60:
- РГАП.757475.018 - подвижный / неподвижный (без напайки);
- ДМЗ.2.013-01 - подвижный / неподвижный (без напайки);
- ГЛЦИ.757475.003-01 (Н=14мм);
- ГЛЦИ.757475.003-00 (Н=16мм);
- ЭТПР.303659.086 - подвижный / неподвижный (без напайки);
- 8ТР.551.045.
* В связи с тем, что контакты контроллеров ККТ 60 производят несколько предприятий, их размеры могут незначительно отличаться. В том случае если заказчик не уточняет какой именно чертеж контактов для командоконтроллеров ККТ61, ККТ62, ККТ63, ККТ65, ККТ68 ему необходим, мы поставляем контакты на свое усмотрение (по умолчанию).
Оставить заявку на Контакты серии ККТ-61, ККТ-62, ККТ-63, ККТ-65, ККТ-68
- Полный каталог продукции
- Блоки контактных колец
- Блоки резисторов
- Катушки электромагнитные
- Командоконтроллеры
- Контакторы
- Контакты к оборудованию
- Кулачковые элементы
- Переключатели
- Приборы безопасности
- Пускатели
- Реле
- Светотехника
- Тормоза колодочные
- Токосъемные кольца
- Трансформаторы
- Траверсы (бракеты)
- Узлы токосъема
- Щеткодержатели
- Электрощетки
- Электродвигатели
- Разное оборудование








