- Каталог оборудования РУСВОЛЬТ
- Тормоза колодочные
- Гидротолкатели ТЭ (ТЭГ)
Гидротолкатели типа ТЭ или ТЭГ (электрогидравлические толкатели)
Гидротолкатели серии ТЭ (старая маркировка - ТЭГ) могут быть как в наличии так и под заказ. Узнать наличие, точную стоимость и приобрести толкатели ТЭ электрогидравлические вы можете позвонив по телефону +7(812) 449-90-49 или отправить заявку на электронную почту указанную в разделе "Контакты".
Гидротолкатель ТЭ-30 (замена ТЭ-16 и ТЭ-25)
|
Гидротолкатель ТЭ-50
|
Гидротолкатель ТЭ-80
|
Гидротолкатели ТЭ используют на различных предприятиях как привод колодочных тормозов марки ТКГ (старое название - ТКТГ), и многих других аналогичных механизмов, использующихся для механизации обширного перечня производственных процессов.
Любые гидравлические толкатели ТЭ нужны для работы преимущественно в цепях переменного электротока напряжение которых не больше 380В и частота 60-50 герц, в повторно-кратковременном эксплуатационном режиме с ПВ 80% или ниже, с установленной тактовой частотой включений не превышающей 2000 включений за час, и при этом любые номинальные значения каких либо климатических факторов должны подходить к типам климатического исполнения У2 или ХЛ2 по ГОСТ15150 либо ГОСТ15543.1. Допустима работа в длительном рабочем режиме (ГОСТ183) (S1) с температурой среды не больше 25°C. ТЭГ или ТЭ можно использовать под навесом либо в специализированных помещениях, где колебания значений температуры, а также уровень влажности воздуха, могут иметь отличия от колебаний возникающих на открытом воздухе. Так же их использование допускается в условиях указанных далее:
- разрешенные эксплуатационные значения температуры окружающего воздуха для гидротолкателя ТЭГ (ТЭ):
- для климатического исполнения типа У2 - от значения t° -15 °C до t° +40 °C;
- для климатического исполнения типа ХЛ2 - от значения t° -60 °C до t° +40 °C;
- для типов исполнений У2, ХЛ2 относительная влажность воздуха может быть - 80% при температуре воздуха равной 20 °C и 100% при температуре достигшей 25 °C;
- внешняя среда должна непременно быть взрывобезопасная, а также без содержания агрессивных газов или каких либо паров в концентрациях влекущих повреждение металла, изоляции или резины;
- предельно допустимая высота свыше уровня моря не превышает планки в 1000 метров.
Гидротолкатели серии ТЭ или ТЭГ обычно поставляются уже заполненными специальной рабочей жидкостью:
- ТЭ исполнения У2 - специальным трансформаторным маслом по ГОСТ982-80;
- ТЭ исполнения ХЛ2 - специальной полиэтилсилоксановой жидкостью марки ПЭС-3 по ГОСТ13004-77.
Их использование может быть при допустимой температуре ниже -15 °C (не больше -60°C), если произвести замену трансформаторного масла которое идет с завода, специальной полиэтилсилоксановой жидкостью марки ПЭС-3 по ГОСТ13004-77, в этих обстоятельствах общее количество времени в которое происходит подъем штока гидравлического толкателя при его первых включениях ни как не нормируется. Также его допускается применять в диапазоне температур варьирующихся от -30 °C до +15 °C масло марки АМГ-10А ГОСТ6794-75. По заказу клиента, все типы приборов можно изготовить на разные номинальные напряжения с установленной частотой 60 герц или 50 герц.
Основные параметры соответствуют данным, введенным в таблице ниже.
Технические характеристики различных типов гидротолкателей ТЭ или ТЭГ
| Наименование параметра | Значение параметра | ||
|---|---|---|---|
| толкатель ТЭ-80 | толкатель ТЭ-50 | толкатель ТЭ-30 | |
| Развиваемое усилие подъема, H, минимальное | 1000 | 620 | 450 |
| Ход штока, мм | 60 | 60 | 32 |
| Среднее усилие подъема, H | 800 | 500 | 300 |
| Потребляемая мощность, Вт, максимальная | 200 | 180 | 160 |
| Номинальное напряжение питающей сети, В | 380 | ||
| Время обратного хода штока в комплекте с тормозом, сек, максимальное | 0,4 | 0,4 | 0,3 |
| Установленная масса жидкости, кг, максимальная | 1,6 | 1,6 | 1,2 |
| Время подъема штока в комплекте с тормозом, сек, максимальное | 0,55 | 0,5 | 0,3 |
| Масса электрогидравлического толкателя, кг, не больше | 15 | 12,5 | 11 |
Примечания:
- В таблице указаны параметры толкателей ТЭ в холодном состоянии (стандартные параметры).
- В зависимости от колебаний напряжения от 1,1 до 0,85 номинального значения и частоты (60 герц или 50 герц) питающей электросети, разрешается изменение времени подъема, а также опускания штока в рамках ±15% от величины в специальной таблице приведенной выше.
- В любых гидротолкателях серии ТЭ при нагретом состоянии возможно увеличение общего времени подъема их штока не превышающего 25%, а времени обратного хода этого же штока не превышающего 15%.
Гидротолкатели ТЭ (ТЭГ) и сами тормоза колодочные серии ТКГ в чей механизм и входит это устройство производят различные предприятия в России либо за ее границами, и поэтому отдельные технические характеристики или исполнение по каким либо конструктивным особенностям, могут содержать в своей конструкции или параметрах незначительные отличия. Наша компания обычно поставляет электрогидротолкатели серии ТЭ всех типов одного из Украинских производств, чье качество изделий не уступает любому из сегодняшних производств, а приобрести их возможно по одним из самых приемлемых цен в отличие от различных иных аналогов.
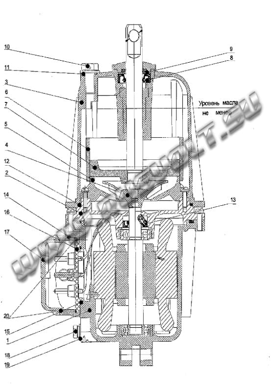
Конструкция толкателя ТЭ или ТЭГ электрогидравлического
Толкатель электрогидравлический ТЭ изготовлен из асинхронного электрического двигателя 1, подшипникового щита 2, цилиндра 6 с корпусом 3, поршня вместе со штоком 7, рабочих колес 4 и корпусов насосов 5. Наполнение жидкостью камеры оборудования производят с помощью специального отверстия в корпусе которое потом закрывается пробкой 10 вместе с ее уплотнительным кольцом 11. Слив этой жидкости непосредственно из камеры толкателя делают с помощью этого же самого отверстия.
Электродвигатель 1 гидравлического толкателя специального исполнения, спроектирован с естественным охлаждением, также он "сухой", фланцевый и никаким маслом не заполнен. На вал двигателя устройства напрессовывается сердечник со специальной короткозамкнутой обмоткой состоящей из алюминия. Выводное устройство этого двигателя изготовлено из коробки выводов 14, а также клеммной панели 16 и ее крышки 17.
Относительно станины двигателя его клеммная панель уплотнена при помощи резинового круглого кольца 15, а от влаги и пыли - уплотнительным резиновым кольцом 20. Уплотнение же самой камеры устройства со стороны электродвигателя производиться уплотнительным кольцом 12, шток гидротолкателя ТЭ - уплотняется сальниковым кольцом 9, а также двумя манжетами 8, вал электродвигателя уплотняется с помощью манжеты 13. Возле болта заземления 18 расположен сливной болт 19.
Колеса рабочие 4 при работающем двигателе электрогидротолкателя, создают чрезмерное давление эксплуатируемой жидкости, которая начинает нагнетаться под поршень 7 и приподнимает его вместе со штоком до максимально верхнего положения. Поршень толкателя ТЭ остается вверху до тех пор, пока запущен электродвигатель. При его остановке рабочие колеса тоже останавливаются и поршень вместе со штоком изделия под внешней нагрузкой и своим весом опускается до максимально нижнего положения, после чего обслуживаемый механизм возвращается в изначальное положение.
Все типы гидротолкателей ТЭГ или ТЭ могут применяться при усилиях на своем штоке различных от номинальных (стандартных), при этом, период времени их срабатывания не нормируется. Их нужно устанавливать исключительно в положении вертикально (т.е. шток смотрит вверх) и отклонение от вертикали разрешается не более 15 градусов. Установочный размер на их механизме должен регулироваться в четком соответствии с размерами гидравлических толкателей. После окончания всех монтажных работ на поверхность, никак не защищенную от коррозии, нужно нанести слой консервационной смазки. На корпусе есть полная маркировка, с указанием его типа, наименования, всех основных параметров, года выпуска и конечно же заводского номера. Пробка гидротолкателя ТЭ ХЛ2, наполненного полиэтилсилоксановой жидкостью, изначально запломбирована предприятием - производителем.
Подготовка к эксплуатации гидротолкателей ТЭГ или ТЭ
Подключение толкателя ТЭ электрогидравлического к электросети нужно производить через специальную коробку выводов. Его клеммная панель содержит в себе три (U, W, V) либо шесть (U1, V1, W1 - начало и U2, V2, W2 - конец) выводов. Его необходимо обязательно заземлить, и для этого его нужно подсоединить гибким медным заземляющим проводником и заземляющим болтом с установленным сечением не меньше 1,5 мм2 к любому заземляющему устройству. Следует произвести очистку штока и узла его уплотнения от консервационной смазки или пыли, а после проверить, возможную утечку жидкости через различные уплотнения.
На изначальном этапе работы нужно с помощью нескольких включений проверить правильность работы всего механизма с установленным в его конструкцию гидравлическим толкателем ТЭ. После большого срока хранения, а также продолжительного перерыва в его эксплуатации непременно нужно проверить сопротивление изоляции обмоток его двигателя относительно корпуса прибора. В случае, если вдруг сопротивление изоляции становится ниже 5 МОм при холодном состоянии, электрический двигатель нужно обязательно разобрать, а обмотку его статора просушить.
Для обеспечения наиболее четкого срабатывания электрогидравлического толкателя ТЭ при температуре для ТЭ У2 ниже -10°C и для ТЭ ХЛ2 ниже -40°C нужно прогреть его с помощью нескольких кратковременных включений. Длительность запусков не должна превышать 10 секунд при интервале в 1-2 мин.
Электрогидротолкатель ТЭ - его техническое обслуживание или полная замена
Техническое обслуживание положено делать два раза за год. Полную замену жидкости электрогидротолкателя нужно делать один раз за весь год эксплуатации при наступлении времени его технического обслуживания. При эксплуатации прибора обязательно необходимо:
- контролировать уровень спец. жидкости;
- следить за присутствием посторонних шумов при его эксплуатации (подшипник работающий исправно должен издавать равномерный и слабый шум);
- следить за нагревом гидротолкателя;
- не допускать появления воды, грязи либо абразивных частиц на узле уплотнения штока;
- следить за затяжкой любых крепежных изделий;
- контролировать (отворачивая сливной болт электродвигателя) герметичность уплотнения его подшипникового щита;
- контролировать, чтобы любые подводящие провода были без повреждений изоляции.
Заполнять (при до заливке и замене) гидротолкатели жидкостью нужно следующим образом:
- установить его в вертикальное положение и выдвинуть шток, а после вывернуть пробку из специального отверстия в корпусе;
- залить через отверстие жидкость в изделие до заполнения;
- прочно закрыть отверстие предназначенное для заливки жидкости и вручную прокачать штоком специальную жидкость для максимального удаления воздуха из под поршня;
- нужно доливать жидкость до уровня приведенного на рисунке ниже. Перед самой заливкой нужно удостовериться в отсутствии в составе жидкости воды или примесей.
Разборку электрогидротолкателя нужно делать следующим образом:
- отсоединить толкатель от сети, а также контура заземления и после этого снять с механизма и слить с него рабочую жидкость;
- отвернуть все гайки на болтах, стыкующих корпус со станиной электрического двигателя и вынуть болты из отверстий изделия;
- отсоединить от электродвигателя корпус;
- открутить гайку которая крепит рабочее колесо электрогидротолкателя на валу данного двигателя, а также снять колесо и все регулировочные шайбы расположенные под ним;
- открутить каждый винт и снять корпус насоса со щита;
- открутить винты, скрепляющие подшипниковый щит со станиной и снять его, применяя для этого два диаметрально расположенных специальных паза;
- извлечь из статора ротор.
Собирать гидротолкатели серии ТЭ нужно в порядке обратном их разборке.
Неисправности в эксплуатации гидротолкателя типа ТЭ (ТЭГ) и способы их устранения
| Возможная неисправность | Способ ее устранения | Возможная причина неисправности |
|---|---|---|
|
Течь масла из уплотнений по штоку или стыкам деталей гидротолкателя ТЭ. Большая течь масла через какое-либо уплотнение подшипникового щита непосредственно в полость электродвигателя свыше 150 см3. |
Подтянуть болты, винты. | Плохо затянуты крепежные детали изделия. |
| Произвести замену всех уплотнений электрогидротолкателя. | Неисправны уплотнения. | |
| Заменить манжету. | Неисправность манжеты расположенной на валу электродвигателя. | |
| Шток при подключении толкателя ТЭ к сети не поднимается либо поднимается, но не на полную высоту хода. | Необходимо долить масло в его насосную часть. | Уровень масла был существенно ниже нормы. |
| Отремонтировать электродвигатель. | Электродвигатель сломан. | |
| Сделать регулировку зазоров между рабочим колесом гидротолкателя ТЭ, а также корпусом насоса в установленных пределах 0,2-0,9 мм. | Корпус насоса задевает колесо рабочее. | |
| Чрезмерный нагрев электрогидротолкателя. | Передвинуть манжету до упора расположенную внутри уплотнительного гнезда щита. | Износ шейки вала гидротолкателя. |
| Обеспечить нормальное напряжение. | Высокое напряжение на зажимах двигателя. | |
| Отремонтировать обмотку. | Витковые замыкания на обмотке двигателя. | |
| Сделать регулировку зазора между колесом, а также корпусом насоса. | Рабочее колесо задевает корпус насоса. | |
| Большой шум внутри прибора. | Заменить подшипники. | Неисправны подшипники гидротолкателя. |
| Электрический двигатель гидротолкателя при его подключении к сети не вращается. | Нужно подать ток на зажимы. | Нет напряжения на подводящей сети. |
| Устранить обрыв. | Обрыв проводов, которые коммутируют обмотку с встроенной клеммной панелью. | |
| Отремонтировать электродвигатель толкателя ТЭ. | Повреждена обмотка статора. |
После устранения всех неисправностей необходимо при помощи нескольких включений проверить работу толкателей ТЭ, а при невозможности устранить какой-либо дефект нужно заменить изделие в сборе.
Меры безопасности принимаемые при работе с толкателем ТЭ (ТЭГ)
Внимание! Толкатель электрогидравлический ТЭ изначально заполнен специальной легковоспламеняющейся жидкостью. Любые работы с ним необходимо проводить соблюдая все меры пожарной безопасности. Чтобы обеспечить защиту персонала от выплескивания нагретой жидкости, испытание и опробование данного оборудования нужно проводить за защитной перегородкой. Разборку прибора можно делать только после завершения его охлаждения до окружающей температуры среды.
Любые работы по подготовке его к работе, опробованию, его включению, испытанию или эксплуатации нужно проводить с полным соответствием таких предписаний как "Правила технической эксплуатации электроустановок потребителей" и конечно же "Правила техники безопасности".
Электрогидравлический толкатель ТЭ после замены обязательно нужно заземлить.
Отключение и подключение его электродвигателя делают при заранее обесточенной сети. По завершении подключения электрического гидротолкателя его кабельный ввод закрывается крышкой. Эксплуатация этого прибора, а так же его испытание с открытой коробкой выводов не допускается.
Сопротивление между его заземляющим винтом и корпусом не допускается больше 0,1 Ом.
Сопротивление изоляции между корпусом и обмоткой нового электрического двигателя гидротолкателя при допустимых нормальных климатических факторах должно быть не меньше:
- при холодном состоянии 20МОм - по ГОСТ15150-69;
- в нагретом до установленной температуры - 2МОм.
Изоляция обмотки нового электродвигателя относительно корпуса может выдерживать в течении одной минуты без пробоев и перекрытия по поверхности электрическое напряжение переменного тока (испытательное) частотой 50Гц 1760В. В случае дополнительных проверок величина напряжения электрогидравлического толкателя должна быть ниже на 20%.
Степень защиты всех гидротолкателей IP54 по ГОСТ14254.
При работе электрогидротолкателя на тормозе в его номинальном режиме температура обмотки электрического двигателя не может превышать 155°C, а температура его рабочей жидкости 95°C при t° окружающего воздуха равной 40°C.
Гидравлический толкатель ТЭ - его транспортировка, хранение и утилизация
Условия транспортировки и сроки хранения любых гидротолкателей серии ТЭ в зависимости от возможного типа поставки соответствуют данным указанным в таблице ниже.
Транспортировка разрешена любыми видами транспорта при полном соблюдении правил, требований и норм, которые распространяются на различные типы транспорта.
| Вид поставки | Обозначение условий транспортировки в части воздействия | Маркировка условий хранения по ГОСТ15150 | Максимально допустимый срок хранения прибора в упаковке и консервации | |
|---|---|---|---|---|
| по механическим факторам по ГОСТ23216 | по климатическим факторам - условия хранения по ГОСТ15150 | |||
| Внутри страны | С | 4 | 2(С) | 1 год |
| Экспортируется в районы тропического климата | Ж | 8 | 3(ЖЗ) | 1 год |
| В районы умеренного климата | С | 6 | 3(ЖЗ) | 1 год |
| В районы умеренно холодного климата | С | 8 | 3(ЖЗ) | 1 год |
В случае замены или утилизации гидротолкателя ТЭ или каких либо его частей, нужно:
- отключить его от всевозможных источников питания и дать остыть;
- демонтировать прибор из механизма;
- вылить рабочую жидкость;
- полностью разобрать на отдельные части все изделие;
- сдать на завод изготовитель или на специальное предприятие по переработке отходов.
Оставить заявку на Гидротолкатели типа ТЭ или ТЭГ (электрогидравлические толкатели)
- Полный каталог продукции
- Блоки контактных колец
- Блоки резисторов
- Катушки электромагнитные
- Командоконтроллеры
- Контакторы
- Контакты к оборудованию
- Кулачковые элементы
- Переключатели
- Приборы безопасности
- Пускатели
- Реле
- Светотехника
- Тормоза колодочные
- Токосъемные кольца
- Трансформаторы
- Траверсы (бракеты)
- Узлы токосъема
- Щеткодержатели
- Электрощетки
- Электродвигатели
- Разное оборудование





